最后编辑于: 2025-11-27 12:46 | 分类: 电子 | 标签: 总线 RS485 | 浏览数: 1205 | 评论数: 0
TI工程师写的一篇很优质的关于RS-485设计的老文章(2008年),推荐一读。
作为上世纪80年代早期批准的一个平衡传输标准(1983年,电子工业协会EIA),RS-485似乎已成为工业界永不过时的接口标准。关于它的文献有很多,但对于很少接触接口设计的系统工程师而言,如此海量的文献就有些让人吃不消了。
本文旨在讨论RS-485标准的主要内容,为初接触它的设计师提供入门指南。
RS-485仅是一个电气标准。与定义功能、机械和电气规格的完整接口标准相比,RS-485仅定义了使用平衡多点传输线的驱动器和接收器的电气特性。
但是,很多更高级别的标准将RS-485规定为引用标准,例如中国的电能表通讯协议标准DL/T645就明确指定以RS-485作为物理层标准。
RS-485 的主要特性:
RS-485标准建议使用菊花链连接其节点,也称为合用线或总线拓扑(见图1), 每个节点都通过很短的线头连接到主线缆。该接口总线通常设计为用于半双工传输,也就是说它只用一对信号线,驱动数据和接收数据只能在不同时刻出现在信号线上。

图1:RS-485总线结构
这就需要通过方向控制信号(例如驱动器/接收器使能信号)控制节点操作的协议,以确保任何时刻总线上都只能有一个驱动器在活动,而必须避免多个驱动器同时访问总线导致总线竞争。
RS-485也可实现全双工,全双工实现需要两个信号对(四根电线),以及全双工收发器,其具有用于发送器和接收器的单独总线访问线
路。全双工模式允许节点在一个对上发送数据,同时在另一个对上接收数据。

图2:RS-485中的全双工和半双工总线结构
RS-485驱动器必需在54Ω的负载上提供最小1.5V的差分输出,而符合该标准的RS-485接收器则必需能检测到最小为200mv的差分输入(见图2)。这两个值为可靠数据传输提供了足够的裕度,即便信号经过线缆和连接器发生严重衰减时亦如此。而稳健性正是RS-485适用于噪声环境的长距离联网的主要原因。

图3:RS-485规定的最小总线信号电平
在双绞线上传送差分信号为RS-485应用带来了很大好处。这是因为外部噪声源产生的噪声总是等量耦合进两根信号线中,属于共模噪声,而这能在差分接收器的输入处就被抑制掉。
工业RS-485电缆分为有保护套、无保护套、双绞线、非屏蔽双绞线,符合22-24AWG线规的电缆特性阻抗为120Ω。
图4所示为四线对电缆的横截面,这种非屏蔽双绞线通常用于2个全双工网络。两对和单对版本的类似电缆可用于低成本的半双工系统设计。

图4:RS-485通信线缆示例
为了保持网络的电特性,除了网络线缆的连接之外,RS-485标准强制设备的印制电路板布局和连接器要与网络的电器特性保持一致,可以通过使印制电路板上的两根信号线尽可能靠近并等长来实现。
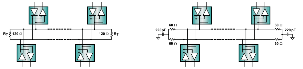
为避免信号反射,数据传输线应始终端接,并且线头应尽可能的短。正确的端接需要终端电阻 RT 和 传输电缆的特性阻抗 Z0 匹配。RS-485标准建议采用Z0 = 120Ω的电缆,因此电缆干线通常与120Ω电阻端接,线缆的末尾处各一个(见图5左半部分)。

图5:正确的RS-485终端
在噪声环境下的应用通常将120Ω电阻替换为两个60Ω电阻,组成一个低通滤波器,用于提供额外的共模噪声滤除能力(见图5右半部分)。请务必匹配电阻值(宜使用精度为1%的电阻),确保两个滤波器的频率降幅相等。较大的电阻容限(即20%)会导致滤波器转折频率不同,并且共模噪声会转换为差分噪声,从而使接收器的抗扰性降低。
线头的电长度(即收发器与线缆干线之间的距离)应小于驱动器输出信号上升时间的1/10, 并通过以下公式得出:

其中:
表1列出了图5中(78% 速率)与各个驱动器上升时间对应的最大线缆线头长度。

表1:不同信号上升时间下的线头长度和未端接线缆长度。
NOTE: 上升时间长的驱动器非常适合那些需要长线头长度 和 减小器件产生的EMI 的应用。
故障保险(Failsafe)是指接收器可以在无输入信号时保证一个确定的输出状态。
可能导致信号丢失(LOS)的原因有三种:
由于以上几种条件可能导致传统的接收器在输入信号为零时输出随机的状态,因此现代收发器设计中均为开路、短路和总线空闲状态下的故障保险设计了专门的偏置电路。当输入信号为零时,该电路会使接收器的输出保持在一个确定的状态。
尽管这些带故障保险的收发器宣称能减少元器件个数,但它们的失效保护的噪声容限仅为10mV,因此在干扰环境中,要增加外部故障保险电路以增加噪声容限。。
外部故障保险电路包含一个电阻分压器,用以产生足够的差分总线电压,将接收器的输出驱动至一个确定的状态。为确保电路具备足够的噪声裕度,VAB在200mV接收器输入阈值之外还必需能涵盖最大差分噪声。
按下式计算故障保险偏置电阻RB在最坏情况条件下(即最低电压,最大噪声条件下)的阻值:

其中 VAB=200mV + VNoise 。在最小总线电压为4.75V (即5V - 5%),VAB=0.25V并且Zo=120时,RB的计算结果为528Ω。在RT上串联两个523Ω的电阻(见图6左),就在总线一端建立起一个故障保险电路。

图6:总线空闲的外部故障保险偏置
由于驱动器依靠电流输出,因此必需为输出电流提供一个负载。为总线增加收发器和故障保险电路同时也增大了所需的总负载电流。为了估计总线允许的最大负载个数,RS-485定义了一个假想的单位负载(UL),一个UL代表的负载阻抗约为12kΩ。符合标准的驱动器必需能驱动32个这样的单位负载。如今的收发器往往采用的是减小了的单位负载,例如1/8UL,因此总线上允许连接的收发器个数多达256个。
由于故障保险偏置电路就占据了总线负载中多达20UL,因此总线上允许的最大接收机 个数就减少了。因此,当采用1/8UL的收发器时,总线上最多能连接96个设备。即:

最大总线长度受传输线损耗与某个数据率下的信号抖动限制。在抖动达到波特周期的10%或以上时,数据可靠性会急剧下降。图7给出了传统RS-485驱动器在10%信号抖动下,不同数据率特性对应的线缆长度。

图7:不同数据率下的线缆长度
长度将小于图形所示的长度。
RS-485总线是一种分布式参数电路,其电气特性主要由沿物理介质(包括互连电缆和印刷电路板轨线)分布的电感和电容决定。
以器件及其互连的形式向总线添加电容会降低总线阻抗,并导致总线的介质和负载部分阻抗不匹配。当输入信号到达这些位置时,会有部分反射回信号源,造成驱动器输出信号失真。
要确保从驱动器输出的第一个信号传输 到 接收器输入端时电压电平仍有效,需要总线上任何一处的最小负载阻抗 Z' > 0.4 x Z0,这可以通过在总线节点之间保持最小距离 d 来实现:

其中 CL 为集总负载电容, C 为传输媒介(线缆或PCB走线)单位长度的介质电容。
上式显示了最小器件间距与分布式介质和集总负载电容的函数关系;
下图 以图形方式展示了这种关系:

图8:最小节点间距与器件和介质电容的关系
负载电容来自线路总线管脚、连接器的触点、印制电路板的走线、保护器件以及与干线的任何其他物理连接。因此,总线到收发器(线头长度)的电气距离要尽可能短。
下面介绍了各个电容的容值:
远程数据连接通常存在很大的地电位差(GPD),该电位差到了发送器的输出上就成了共模噪声。如果这种噪声过大,就可能超过接收器的输入共模噪声容限,从而对器件造成损坏。即使总叠加信号在接收器输入共模范围内,依靠本地接地作为可靠地电流回路也是很危险的。因此,不建议依靠本地接地作为电流回流的可靠路径(见图9a)。
由于远程节点可能会从电气装置的不同部分汲取功率,当对这类装置进行修改(即在维护工作期间)时,会使接地电势差超出接收器的输入共模范围。因此,今天可正常工作的数据链路可能会在将来的某个时候停止运行。
也不建议直接用地线连接远程地,(见图9b)因为这可能会引发很大的地回路电流,耦合到数据线之中成为共模噪声。像RS-485标准建议的那样, 通过在接地通路上插入电阻来减小回路电流也只解决了一半问题。一个大接地回路的存在就使数据链路对回路中其他地方产生的噪声非常敏感。因此,通过这种方式仍无法建立一个可靠的数据链路(见图8c)。

图9: 需要注意的设计缺陷:a) GPD过高;b) 回路电流过大;c)减小回路电流,但过大的接地环路仍会导致电路对感应噪声高度敏感
一个可以容忍数千伏接地电势差并且强健的可长距离传输的 RS-485 数据链路方法是信号及供电电源隔离(请参阅图10)。采用该方法时,总线收发器的信号线和电源线与本地信号与电源是相互隔离的。

图10: 具有单接地基准的两个远程收发信站的隔离
在这种情况下,电源隔离器(例如隔离的直流/直流转换器)和信号隔离器(例如数字电容隔离器)可防止电流在远程系统地之间流动,并避免产生环路电流。
而图10仅显示了两个收发器节点的详细连接,图11给出了多个隔离收发器的示例。除一个收发器外,所有收发器均通过隔离接入总线。左侧的非隔离收发器为整个总线提供了单接地基准。

图11: 多个现场总线收发信站的隔离
本应用报告的目的是介绍 RS-485 系统设计的重点内容。尽管存在大量涉及此主题的技术文献,但本文档的目的是为不熟悉 RS-485 的系统设计人员提供非常全面的设计指南。
按照本文档讨论的内容进行操作并查阅参考部分中的详细应用报告,可以帮助您在最短的时间内完成符合 RS-485 要求的稳健系统设计。
为了支持设计工作,德州仪器 (TI) 提供了品类丰富的 RS-485 收发器产品系列,它们具有低 EMI、低功耗 (1/8UL)、高 ESD 保护(从 16kV 到 30kV)以及针对开路、短路和空闲总线的集成失效防护功能等器件特性。对于需要隔离的长距离应用,可使用双通道、三通道和四通道版本(从直流到 150Mbps)的单向和双向数字隔离器,以及隔离式直流/直流转换器(具有 3V 和 5V 稳压输出),提供通过隔离栅供电的电源。
如需了解更多信息,请访问 www.ti.com,并在“关键字搜索”字段中输入后面的蓝色文献编号。
作者:Thomas Kugelstadt
高级应用工程师
TI公司 2008年