最后编辑于: 2012-07-19 15:19 | 分类: 光通信 | 标签: SFP | 浏览数: 3082 | 评论数: 0
12年的一篇文章, 是当年在阿郎搞SDH时收集的一些资料, 如果过去10多年了, 最近几年光通信设备弄的少了, SFP应该也有了长足的发展, 也不太熟悉了, 但好像接口的变化不大.

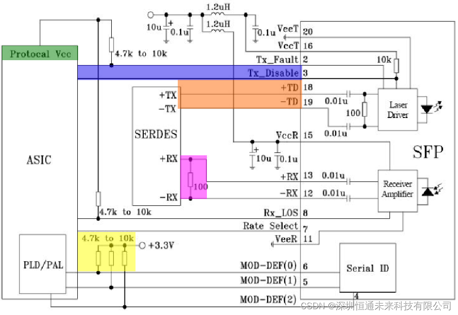
根据SFP MSA中规定,SFP光模块引脚定义如下:


VCCT 和 VCCR分别是发射和接受部分电源,要求3.3V±5%,最大供电电流300mA以上。电感的直流阻抗应该小于1欧姆,确保SFP的供电电压稳定在3.3V。推荐的滤波网络,可以保证插拔模块时的浪涌小于30mA。

VCCT 和 VCCR可以在模块内相连。发射和接收的地可以在模块内相连。

PS: 这篇文章让我想起了当年在阿郎搞过一小段SFP的测试工作, 测得很详细: 差分信号需要测眼图, I2C信号需要测建立时间和保持时间等时序参数, 还要故意把输入光功率调大和调小, 测试输入告警信号参数时的光功率值, 并要测告警消失时的滞回曲线. 所有的测试结果都要符合阿郎自己的企业标准, 其严格于国际标准.